page contents 加高DIP型 PJ-09317-X05,三级,圆头内径3.5mm,垫高型-东莞市世宝电子有限公司 官网|连接器|连接线|CIB ELE
首页    耳机座    PJ3.5 DIP    加高DIP型 PJ-09317-X05,三级,圆头内径3.5mm,垫高型

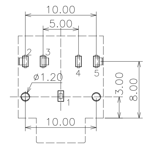
加高DIP型 PJ-09317-X05,三级,圆头内径3.5mm,垫高型

CIB编号:20302011
产品料号:PJ-09317-X05

市场类似型号:耳机座垫高型,加高型,PJ-317,PJ317

 


尺寸图(pdf):点击预览或下载
PCB图(dxf): 点击下载(密码请联系在线客服,或邮件索取)

规格书:点击下载
3D图:点击下载


Product  Specification

电气

 

Current Rating

1A

Voltage Rating

12V

Contact Resistance

100m Ohms

Insulation Resistance

100M Ohms

Withstanding Voltage

500V AC

机械

 

Insertion Force

3.0Kgf Max

Extraction Force

0.3Kgf Max

Operating Temp

-20~+70℃

Durability Life

5000Cycles

材料

 

Metal

Copper Alloy

Plating

Sn

Plastic

 

  备注

1KPCS/Bag


产品卖点:此款耳机座品质稳定。

 

  • 回到顶部
  • 076982828565
  • QQ客服
  • 微信二维码